交水发〔2015〕118号《国家发展和改革委员会交通运输部关于调整港口船舶使费和港口设施保安费有关问题的通知》
国家发展和改革委员会交通运输部关于调整港口船舶使费和港口设施保安费有关问题的通知
交水发〔2015〕118号 2015-7-22
各省、自治区、直辖市交通运输厅(委)、发展改革委、物价局,各引航机构,有关港口、航运企业,中国船东协会、港口协会、船舶代理及无船承运人协会、引航协会、理货协会,交通运输部长江航务管理局、珠江航务管理局、长江口航道管理局:
为贯彻落实党的十八届三中全会精神,发挥市场对资源配置的决定性作用和更好发挥政府作用,促进我国水运业持续健康发展,更好地保障国民经济和对外贸易平稳运行,交通运输部、国家发展改革委决定完善港口船舶使费收费政策,降低港口设施保安费收费标准。现将有关事项通知如下:
一、规范船舶使费收费项目
港口经营人和引航机构提供船舶进出港服务,可收取引航(移泊)费、拖轮费、停泊费、围油栏费、驳船取送费、特殊平舱费以及垃圾处理、供水、供油、供电服务收费等费用,除此之外不得收取其他任何费用。取消现行收取的靠垫费,以及引航费中的引航员滞留费和引航计划变更费,将系解缆费、开关舱费并入停泊费收取。
二、改进船舶使费计费办法
航行国际航线船舶引航费起码计费吨由500净吨提高到2000净吨,40001-80000净吨部分、超过80000净吨部分收费标准(引航距离在10海里以内)分别降低到每净吨0.45元、0.425元。节假日、夜间对航行国际航线船舶进行引航和拖轮作业的,引航费、拖轮费加收的比例降为45%。鼓励港口经营人在不超过按拖轮马力、作业时间确定的收费标准范围内,根据接受拖轮服务的船舶吨位、船长、进出港次数等情况综合计收拖轮费。归并后的航行国内、国际航线船舶停泊费收费标准分别调整为每日每净吨0.08元、0.25元。
三、完善船舶使费管理方式
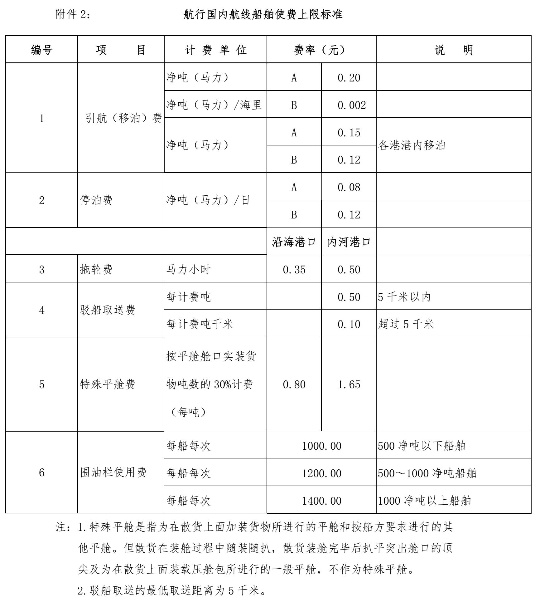
对船舶使费实行政府指导价、上限管理,引航(移泊)费、拖轮费、停泊费以上述调整后的收费标准为上限,围油栏费、驳船取送费、特殊平舱费以现行收费标准为上限(具体水平详见附件),港口经营人和引航机构可在不超过上限收费标准范围内,根据市场供求和竞争状况自主制定具体收费标准。
四、降低港口设施保安费收费标准
对外贸进出口20英尺、40英尺重箱的港口设施保安费收费标准分别降低到每箱10元、15元,其他货物收费标准降低到每吨0.25元。征收和使用的其他事项继续按现行规定执行。
五、规范收费行为
港口经营人和引航机构要严格执行国家规定的价格政策,不得擅自增设船舶使费收费项目,不得超过上限收费标准计收船舶使费。要落实明码标价规定,在经营场所显著位置公示收费项目、对应服务内容和具体收费标准,接受社会监督。要按照规定的服务内容和标准提供服务并收取费用,不得只收费、不服务。
六、强化监督检查
各级交通运输、价格主管部门要按照各自法定职责加强对港口经营人和引航机构的指导、监督,加强价格监督检查,依法查处各类违法违规收费行为,切实保护用户合法权益。
本通知自2015年9月20日起执行,凡与本通知抵触的有关规定,均以本通知为准。
附件下载:
1.航行国际航线船舶使费上限标准

2.航行国内航线船舶使费上限标准

交通运输部
国家发展改革委
2015年7月22日

扫描二维码 关注我们
本文链接://m.0798ci.com/law/5927.html
本文关键词: 交水发〔2015〕118号, 国家发展和改革委员会, 交通运输部, 调整, 港口船舶使费, 港口设施保安费, 有关问题的通知
您当前的位置:
打印
关闭