国标委综合函〔2016〕6号《国家标准委关于印发〈强制性标准整合精简评估方法〉的通知》

浏览量:          时间:2016-06-30 22:12:40

国家标准委关于印发〈强制性标准整合精简评估方法〉的通知


国标委综合函〔2016〕6号

 

国标委综合函〔2016〕6号《国家标准委关于印发〈强制性标准整合精简评估方法〉的通知》1
国标委综合函〔2016〕6号《国家标准委关于印发〈强制性标准整合精简评估方法〉的通知》2
国标委综合函〔2016〕6号《国家标准委关于印发〈强制性标准整合精简评估方法〉的通知》3
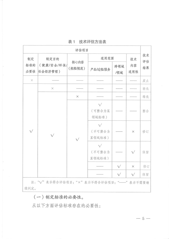
国标委综合函〔2016〕6号《国家标准委关于印发〈强制性标准整合精简评估方法〉的通知》4
国标委综合函〔2016〕6号《国家标准委关于印发〈强制性标准整合精简评估方法〉的通知》5
国标委综合函〔2016〕6号《国家标准委关于印发〈强制性标准整合精简评估方法〉的通知》5
国标委综合函〔2016〕6号《国家标准委关于印发〈强制性标准整合精简评估方法〉的通知》6
国标委综合函〔2016〕6号《国家标准委关于印发〈强制性标准整合精简评估方法〉的通知》7
国标委综合函〔2016〕6号《国家标准委关于印发〈强制性标准整合精简评估方法〉的通知》8
国标委综合函〔2016〕6号《国家标准委关于印发〈强制性标准整合精简评估方法〉的通知》9
国标委综合函〔2016〕6号《国家标准委关于印发〈强制性标准整合精简评估方法〉的通知》10

 









郑州外资企业服务中心微信公众号

扫描二维码 关注我们




本文链接://m.0798ci.com/law/11546.html

本文关键词: 国标委综合函, 国家标准委, 强制性标准, 整合, 精简, 评估, 方法, 通知