《硬累氯乙烯(PVC-U) 轴向中空壁管材及排水检查井选用与施工》(图集编号:22CS06-1)【全文附高清无水印PDF版下载】
图集编号:22CS06-1
图集名称:硬累氯乙烯(PVC-U) 轴向中空壁管材及排水检查井选用与施工
资源类型:国标图集
发布日期:2022-10-01
实施日期:2022-10-01
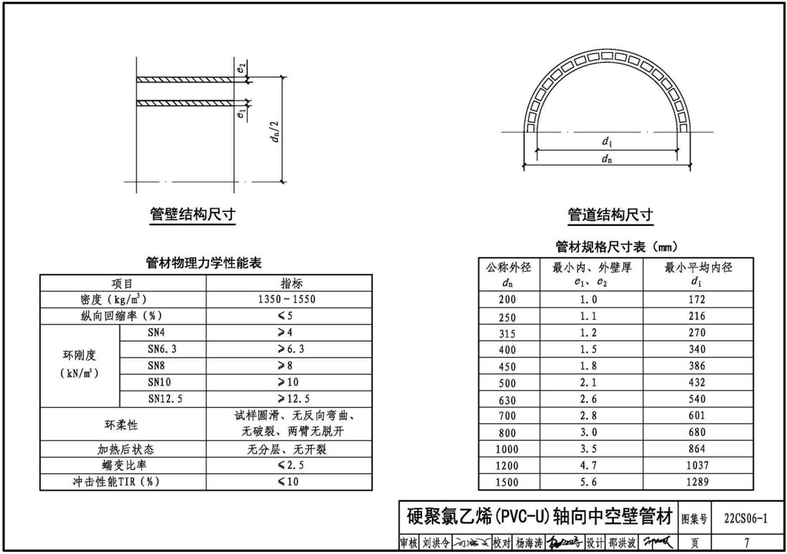
简介:本图集为施工安装类图集,可用于指导设计、规范施工和安装,设计人员可直接选用,施工人员可按图施工。本图集适用千新建、扩建和改建的城镇埋地污废水、雨水等无压排水工程,包括建筑小区、工业厂区及市政工程。适用于一般土质条件下,埋设深度不大千6m、连续排水温度不大于40℃,管道外径dn200mm~dn1500mm的硬聚氯乙烯(PVC-U)轴向中空壁管材和井座公称直径不大千1500mm的硬聚氯乙烯(PVC-U)排水检查井的设计与施工。当地基土为淤泥、淤泥质土及冲填土等软土土质时,应按相关规范进行地基处理,达到本图集规定的设计条件和施工要求。湿陷性黄土、膨胀土、多年冻土地区应用时,应按相关规范和规程另做处理。适用于抗震设防烈度为9度及9度以下地区。主要内容包括:硬聚氯乙烯(PVC-U)轴向中空壁管材、硬聚氯乙烯(PVC-U)排水检查井和收口检查井的井座、井筒、配件、井盖等部件的设计选用和施工。硬聚氯乙烯(PVC-U)轴向中空壁管材结构和规格尺寸、连接做法;硬聚氯乙烯(PVC-U)直壁检查井的结构示意图,与管道的连接做法,井盖、基础及回填的施工图,各种部件的外形图及规格尺寸表。
PDF质量:高清晰无水印PDF版(官方正式版、完整版、原版扫描,共计:39P(页),PDF文档大小:8.58MB)



温馨提示:(本站无需注册或充值,扫码支付后即可获取资源下载链接)
本次捐赠数额为:5.00 元 【点击此处扫码支付】
