7*24小时服务热线:
18003716036
《钢制管法兰第1部分:PN系列》(GB/T9124.1-2019)【全文附高清无水印PDF版下载】
标准编号:GB/T9124.1-2019
标准名称:钢制管法兰第1部分:PN系列
英文名称:Steel pipe flanges-Part 1:PN designated
标准类型:国家标准(GB)
发布日期:2019-05-10 实施日期:2019-12-01
中国标准分类号(CCS):J15
国际标准分类号(ICS):23.040.60
标准格式:
PDF版 PDF文档是否有水印:无水印
PDF文档大小:4.51 M PDF文档页数:165 P(页)
主管单位:中国机械工业联合会
归口单位:中国机械工业联合会
发布单位:国家市场监督管理总局、中国国家标准化管理委员会
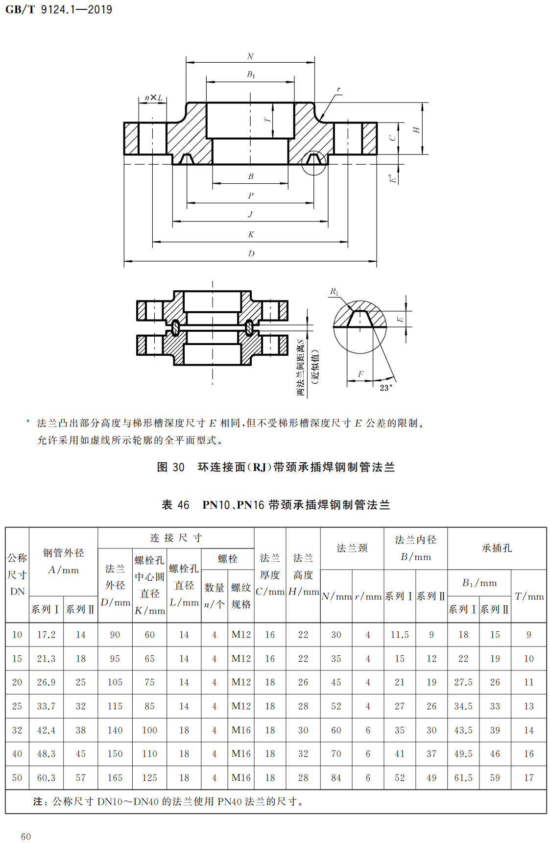
标准简介:GB/T9124的本部分规定了PN系列钢制管法兰和法兰盖的类型与参数、型式与尺寸、技术要求、试验、检验与验收、标志与标记、供货要求。本部分适用于公称压力PN2.5~PN400、公称尺寸DN10~DN4000的钢制管法兰和法兰盖。


本次捐赠数额为:10 元 【点击此处微信扫码支付】
敬请务必注意!!!如您是使用手机端浏览器打开此网页,请务必选择支付宝支付;如果您使用的是电脑端浏览器,选择任一支付方式皆可。如无法正常支付请及时联系页脚微信。