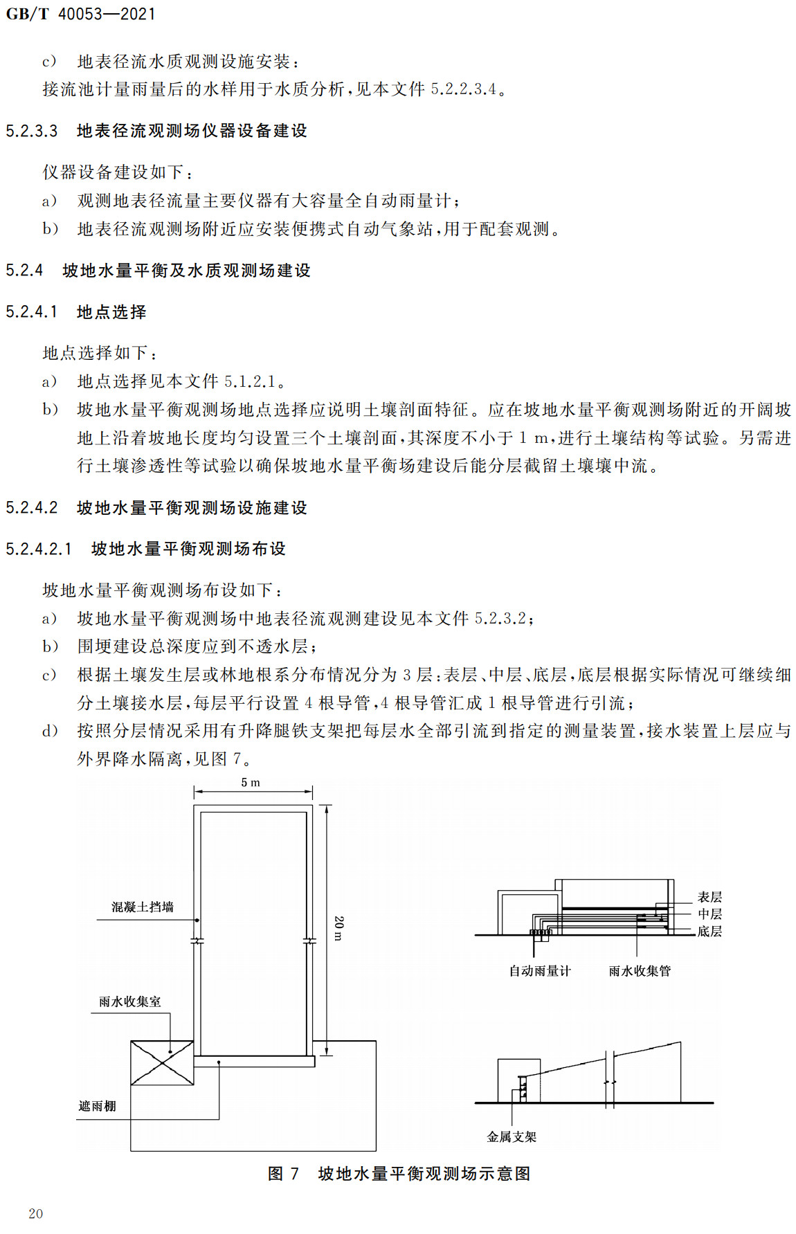
《森林生态系统长期定位观测研究站建设规范》(GB/T40053-2021)【全文附高清无水印PDF+可编辑Word版下载】
标准号:GB/T40053-2021
中文标准名称:森林生态系统长期定位观测研究站建设规范
英文标准名称:Specification for construction on long-term observation research station of forest ecosystem
中国标准分类号(CCS):B60
国际标准分类号(ICS):65.020
发布日期:2021-04-30
实施日期:2021-04-30
主管部门:国家林业和草原局
归口单位:国家林业和草原局
发布单位:国家市场监督管理总局、中国国家标准化管理委员会
简介:本文件规定了森林生态系统长期定位观测研究站建安工程、观测场设施、仪器设备等的建设内容和建设流程,特别是森林水文、森林土壤、森林气象、森林生物以及其他要素等观测所涉及的建设内容。本文件适用于全国范围内的森林生态系统长期定位观测研究站建设。
PDF质量:高清晰PDF无水印版+Word版【内容可复制、可编辑、可搜索、可打印】(官方正式版、完整版,共计:63P(页),PDF文档大小:7.023MB)
请注意:本资源压缩包内共含3个版本:高清无水印PDF版、高清PDF便携版、可编辑Word版,详见下图:





温馨提示:(本站无需注册或充值,扫码支付后即可获取资源下载链接)
本次捐赠数额为:10.00 元 【点击此处微信或支付宝扫码支付】
